特點
| 應用
|
效率對比


應用說明
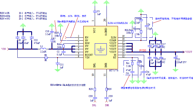
1. 根據輸入電壓、輸出電壓和功放功率需求,選擇模式,SN腳設置

2. 根據功放增益,設置RIN電阻。參考以下公式,或表格中的典型參數
R_IN=600k/(C×Av)+10k , PA is single-ended input Equation 1
R_IN=1200k/(C×Av)+10k , PA is differential input Equation 2

3. 根據功率需求設置ILIM電阻
功放功率往往指RMS值(PoRMS),其峰值功率則為Popeak =2*PoRMS。在20kHz頻率下,其峰值功率維持時間很短,但在20Hz頻率下, 峰值功率在較長時間內顯得很有意義;
此外,系統中,由于ACF、DRC等功能的存在,在短時間內,即在ACF和DRC功能的啟動時間內,功放的輸出功率是突破ACF和DRC的限制功率的。
綜上,需要充分考系統的峰值功率、DRC限制等情況,確定ILIM需求

4. RT, COMP, SS, FREQ的設置,一般可直接使用推薦值
輸出電容較大時(需同時考慮后級電源電容),推薦使用更大的SS電容,以防啟動時較長時間的大電流對電容充電損壞芯片

